Esquema electrico seat ibiza Diagrama eléctrico seat ibiza 【descargar】 Manual de taller seat ibiza 2002 descargar pdf gratis diagrama electrico seat ibiza 2005
Manual De Diagramas Del Sistema Eléctrico Seat Ibiza (6K1) 1999 - 2002
Seat ibiza wiring diagram Obtenga gratis manual de taller 🚗+ wiring diagramas eléctricos del seat Duda: cambiar radio seat ibiza 6l (2007) y no perder los mandos del
Esquema electrico seat ibiza 2000
Seat 6l diagrama cableado duda mandos perder volanteResumen electrico seat ibiza 6l.pdf Seat ibiza diagramas eléctricos 1# indicaciones generalesManual de diagramas del sistema eléctrico seat ibiza (6k1) 1999.
Muestra el aparato conjugado diagrama de fusibles seat ibiza 2007 en elManual de taller seat cordoba ibiza 2002-2008. incluye diagramas Esquema fusibles seat ibiza 6l : caja reles fusibles seat ibiza iii 6l1Ibiza 6l electrico.

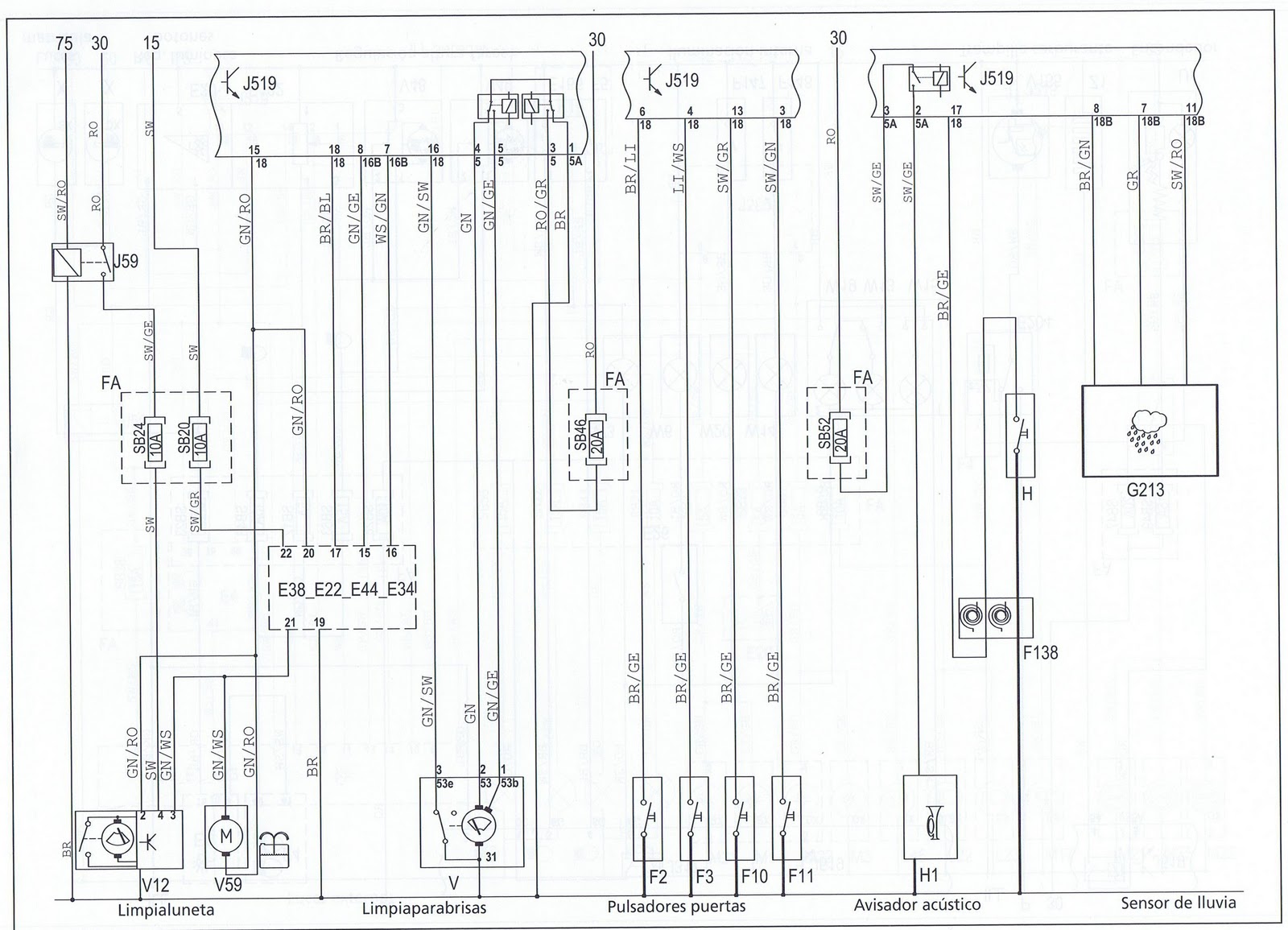
Seat ibiza
Seat fusibles recambio 16v reles recambioverdeEsquema electrico seat ibiza Manual de taller y diagramas seat ibiza 2002 a 2008แผนภาพฟิวส์และรีเลย์ seat ibiza (mk5/kj; 2017-2019…).
Diagrama fusíveis e relés seat ibiza 1999/2002 @pointdocarManual taller diagrama electrico seat ibiza cordoba 84 2008 Recambio de caja reles / fusibles 6q0972595a seat ibiza (6l1) cool 1.4Seat ibiza 2002.
🔌 diagramas eléctricos seat ibiza 1997 bandas de tiempo y distribución
Seat ibiza wiring diagram » wiring diagramManuales de mecánica automotriz manuales de taller Esquemas eléctricos ii seat ibiza (6l1)Esquemas eléctricos ii seat ibiza (6l1).
Esquema seat ibizaEsquema electrico seat ibiza Diagrama de fusibles seat ibiza 2013Quemado sílaba baño diagrama de fusibles seat ibiza 2011 silencio.

Seat ibiza
Diagrama de fusibles seat ibiza (2003-2008) • fusible.infoDiagrama de fusíveis e relés para seat ibiza (mk3/6l; 2002-2007 Esquemas eléctricos ii seat ibiza (6l1)Esquemas eléctricos ii seat ibiza (6l1).
.




